MOTODATA
MOTODATA
Descargar en App Store

Esta página no es una página oficial de la aplicación ni de su desarrollador, sino una publicación editorial independiente creada con fines informativos y de comentario. Salvo que se indique expresamente lo contrario, ni la aplicación ni su desarrollador están afiliados, respaldados, patrocinados, autorizados ni conectados oficialmente con MWM, Apple, Google Play, el editor de la aplicación ni su desarrollador, y nada en esta página implica que la aplicación haya sido desarrollada utilizando los servicios de MWM. Todas las marcas comerciales, logotipos, capturas de pantalla y demás contenidos son propiedad de sus respectivos propietarios.

Logo de MOTODATA
Descargar en App Store

MOTODATA

La caja de herramientas digital definitiva para mecánicos y motociclistas de bricolaje. Acceda a diagramas de cableado, asignaciones de pines de ECU y resolución de códigos de falla para Honda, Yamaha, Piaggio y más, todo desde la palma de su mano.

Cifras Clave

Descargas

24K+

Valoración

4.1/5

Total valoraciones

0

Editor

Nguyen Cong Quyet

Categoría

Books

Idiomas

1

Última versión

9.5.0

Tamaño

19.5 MB

Fecha de lanzamiento

28 sept 2017
Funciones

La Caja de Herramientas Digital del Mecánico Profesional

Deje de buscar manuales en papel. Acceda a una biblioteca completa de diagramas de cableado, códigos de falla y especificaciones técnicas para Honda, Yamaha, Piaggio y más, todo en un solo lugar.

Diagnósticos Eléctricos de Precisión

Domine sistemas PGM-FI y unidades ABS complejos con diagramas de cableado detallados y datos de asignación de pines de la ECU diseñados para una rápida resolución de problemas.

Maestría en Llaves Inteligentes y Seguridad

Desbloquee servicios de alto valor con guías paso a paso para leer ID de llaves, programar inmovilizadores y realizar correcciones de odómetro.

Las siguientes capturas de pantalla y la descripción provienen directamente del listado oficial de la tienda de la aplicación y son propiedad del desarrollador.

App Store

Capturas

MOTODATA - Interfaz de la aplicación MOTODATA mostrando herramientas de cálculo eléctrico para electrónica de motocicletas

Interfaz de la aplicación MOTODATA mostrando herramientas de cálculo eléctrico para electrónica de motocicletas

MOTODATA - Pantalla de la aplicación MOTODATA mostrando una calculadora de circuitos eléctricos para valores de corriente, voltaje y potencia de resistencia de motocicletas

Pantalla de la aplicación MOTODATA mostrando una calculadora de circuitos eléctricos para valores de corriente, voltaje y potencia de resistencia de motocicletas

MOTODATA - Calculadora de resistencias en serie para LED para reparación de electrónica de motocicletas en la aplicación MOTODATA

Calculadora de resistencias en serie para LED para reparación de electrónica de motocicletas en la aplicación MOTODATA

MOTODATA - Diagrama del panel de instrumentos de una motocicleta con instrucciones de reinicio del indicador de cambio de aceite

Diagrama del panel de instrumentos de una motocicleta con instrucciones de reinicio del indicador de cambio de aceite

MOTODATA - Pantalla de la aplicación MOTODATA mostrando procedimientos técnicos para llaves inteligentes y programación de ECM de motocicletas

Pantalla de la aplicación MOTODATA mostrando procedimientos técnicos para llaves inteligentes y programación de ECM de motocicletas

MOTODATA - Aplicación MOTODATA mostrando la búsqueda de códigos de falla de motocicletas y sugerencias de reparación

Aplicación MOTODATA mostrando la búsqueda de códigos de falla de motocicletas y sugerencias de reparación

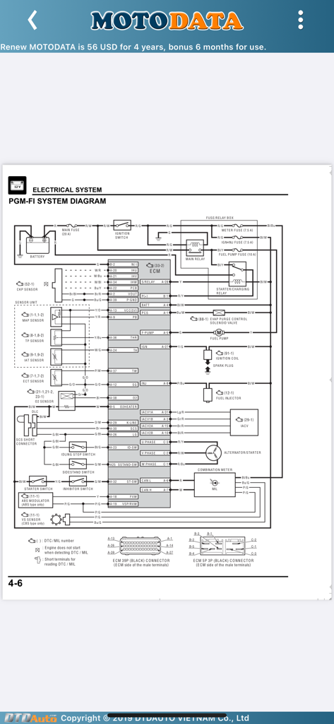
MOTODATA - Diagrama del sistema eléctrico PGM-FI para reparación de motocicletas en la aplicación MOTODATA

Diagrama del sistema eléctrico PGM-FI para reparación de motocicletas en la aplicación MOTODATA

MOTODATA - Diagrama técnico de un conector ECM de 33 pines con identificación de cables para diagnóstico de motocicletas

Diagrama técnico de un conector ECM de 33 pines con identificación de cables para diagnóstico de motocicletas

Descripción

1. OVERVIEW: Used to lookup repair data for motorcycles and scooters that include the old-generation motorcycles using carburetor and the new generation motorcycles using PGM-FI system of PIAGGIO, HONDA, YAMAHA, SUZUKI, SYM, KYMCO brands. 2. FUNCTION: - Directly read fault codes on HONDA, YAMAHA motorcycles - Support automatic calculation function for motorcycle electronics repairmen - Lookup electrical wiring diagrams of systems - Lookup IC solder pin diagram for odometer correction by MOTOBOX - Lookup smart key diagram to read Key ID for HONDA, YAMAHA motorcycles - Support repair procedure for HONDA, YAMAHA, SUZUKI Smart key system - Lookup power pin diagram and signal pin of ECMs for PIAGGIO programming key - Lookup ACU, SCU, ECM connector pin outs - Lookup immobilizer diagram for PIAGGIO/ VESPA motorcycles - Lookup oil indicator reset procedure - Lookup the compression ratio of the engine combustion chamber - Lookup cylinder pressure of engine - Lookup current leakage and charging current - Lookup ignition timing advance - Look up wiring color code - Lookup acronym of electrical system - Lookup fault codes and troubleshooting for engine system, ABS system and immobilizer system - Lookup fault location on motorcycle and electrical system diagram - Lookup fault location by fault code on electrical diagram - Lookup mechanical and electrical specifications - Lookup location of components and signal pins: sensor, ECU, actuator vv... - Lookup measurement procedure and checking, determine preliminary damage - Guide mechanical removal/installation - Maintenance process, online question and answer - Support guide book and updating/upgrading process of MOTOSCAN - Online support technical by technicians of DTDAuto - Free and automatically updated the newest version

Download

Descargar en App Store

Esta página no es una página oficial de la aplicación ni de su desarrollador, sino una publicación editorial independiente creada con fines informativos y de comentario. Salvo que se indique expresamente lo contrario, ni la aplicación ni su desarrollador están afiliados, respaldados, patrocinados, autorizados ni conectados oficialmente con MWM, Apple, Google Play, el editor de la aplicación ni su desarrollador, y nada en esta página implica que la aplicación haya sido desarrollada utilizando los servicios de MWM. Todas las marcas comerciales, logotipos, capturas de pantalla y demás contenidos son propiedad de sus respectivos propietarios.